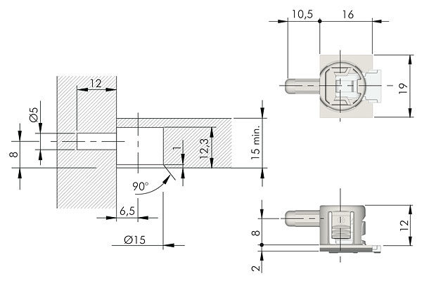
Richelieu CP107010180 Unico Wooden Shelf Pin offers a revolutionary approach to shelving support, engineered for seamless integration into panels with face borings. This innovative system features a robust zinc alloy shelf support, equipped with ridged wings on both sides, ensuring a secure fit. Complementing the shelf support is a sliding clip made from high-quality engineering plastic, providing additional stability and ease of use. Designed with an invisible appearance, the Unico shelf pin enhances the aesthetic of your shelving while maintaining a clean look. The drilling diameter is a precise 3/16 in, accommodating wood thicknesses of a minimum of 19/32 in, making it versatile for various applications. Each shelf pin boasts an impressive load capacity of 176 lb, ensuring that your shelves can hold substantial weight without compromising safety. Finished in sleek nickel, the Richelieu Unico Wooden Shelf Pin not only delivers functionality but also complements modern design sensibilities. Certified to RoHS standards, this product reflects a commitment to quality and environmental responsibility. Ideal for professional builders and discerning homeowners alike, the Unico shelf pin is the ultimate solution for reliable and stylish shelving support.
Unico Wooden Shelf Pin
Appearance: Invisible
Brand: Italiana Ferramenta
Drilling Diameter: 5 mm
Finish: Nickel
Fixing Type: Insert
Load Capacity per Shelf: 80 kg
Material: Zinc Alloy, Plastic Rubber
Product #: CP107010180
Product number: CP107010180
Product №: CP107010180
Standards and Certifications: RoHS
Unit: Bag of 100 units
Unit 1: case - 20
Unit 2: case - 25
Wood Thickness: Min. 15 mm