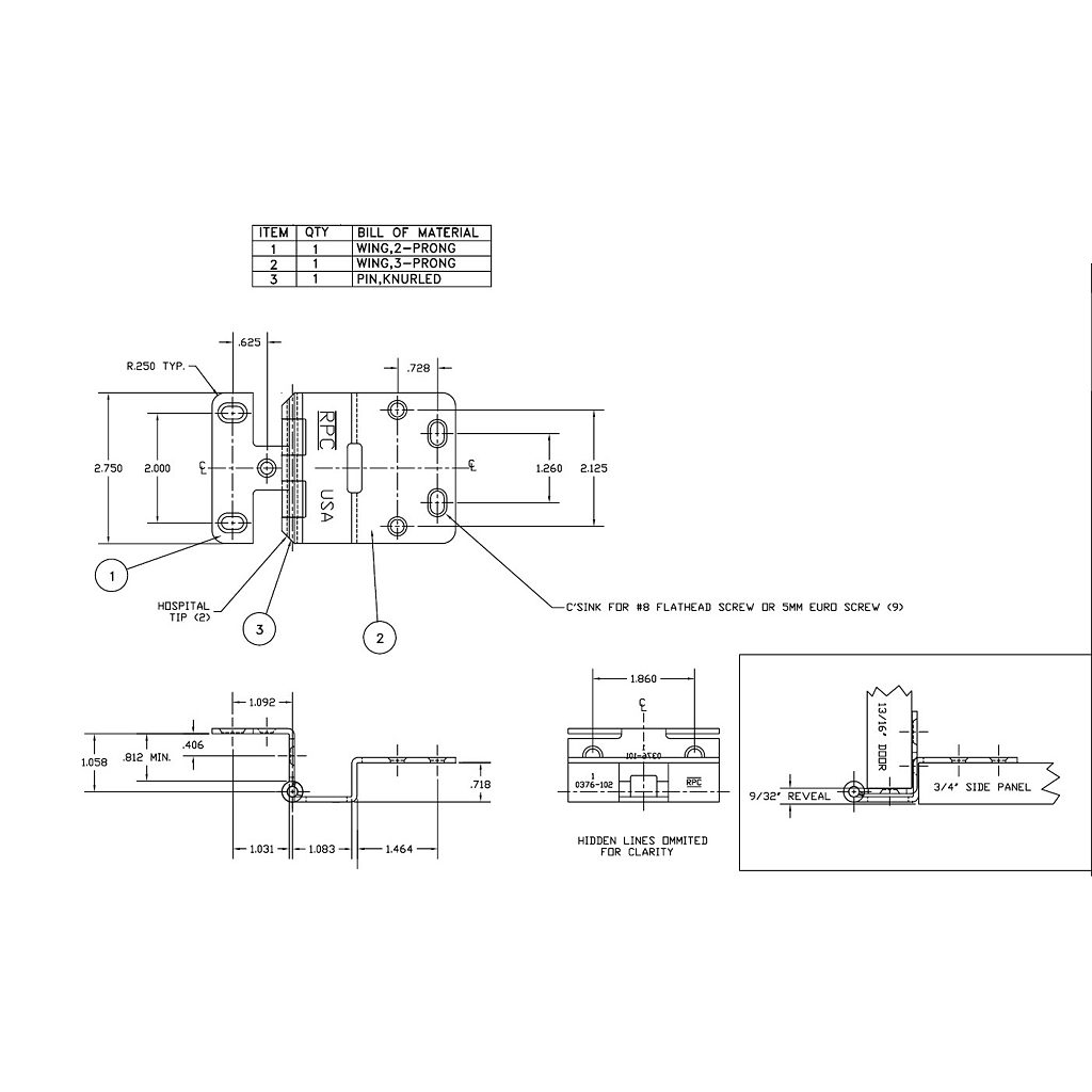
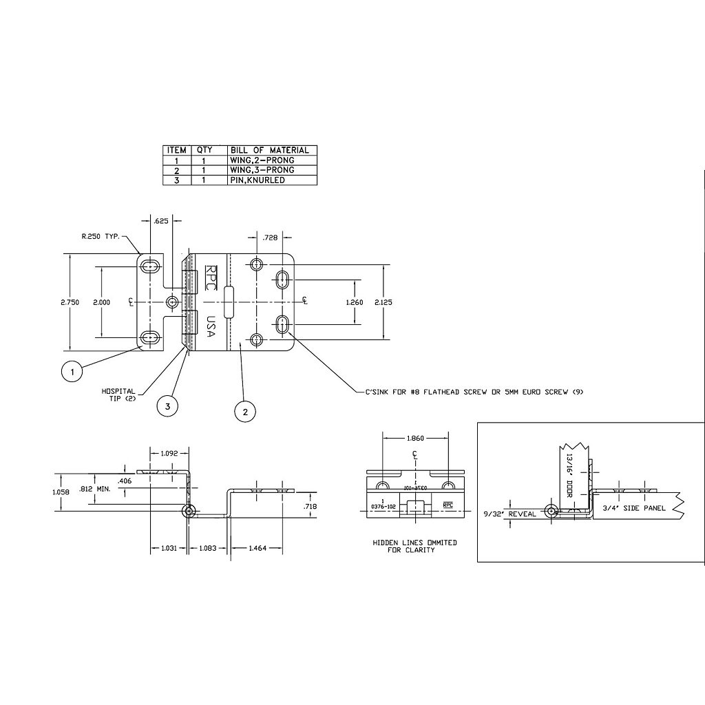
Richelieu BP9137690 3/4" Overlay Institutional Hinge - Series 370 delivers exceptional performance and reliability for a variety of applications. Designed with precision for 32 mm centers and a 37 mm setback, this hinge is ideal for institutional settings where durability is paramount. Constructed from robust steel, it features a sleek black finish that seamlessly integrates with modern cabinetry. This hinge accommodates a door overlay of 23/32 inches and a door thickness of 13/16 inches, ensuring a perfect fit for your projects. With a hinge opening angle of +270°, it allows for smooth operation and easy access. The offset of 3/4 inches enhances its versatility, making it suitable for various door types. The BP9137690 is packaged as a pair and comes complete with #8 screws for secure installation. Meeting ANSI/BHMA 156.9 Grade 1 standards, this institutional hinge is built to withstand heavy use, making it an excellent choice for high-traffic areas. Whether you're a building professional or a knowledgeable homeowner, this hinge offers a combination of strength, functionality, and style that will elevate your projects. Trust Richelieu for quality hardware solutions that stand the test of time.
Five Knuckles Institutional Hinge 376 Series - 13/16" x 3/4"
Brand: RPC
Color/ Finish: Black
Door Overlay: 15/32 in
Door Thickness: 13/16 in
Door overlay: 15/32 in
Door thickness: 13/16 in
Finish: Black
Fixing Type: Screw-On
Gauge: 2.4 mm
Height: 2 3/4 in
Hinge Opening Angle: +270°
Load Capacity: 60 lb
Material: Steel
Offset: 3/4 in
Overlay: 23/32 in
Packaging format: Pair
Product #: BP9137690
Product number: BP9137690
Product №: BP9137690
Screw/ Nail: Included
Side panel thickness: 3/4 in
Standards and Certifications: ANSI/BHMA 156.9 Grade 1
Type: Institutional Hinge
Unit: Pair
Unit 1: case - 50
Unit 2: case - 50