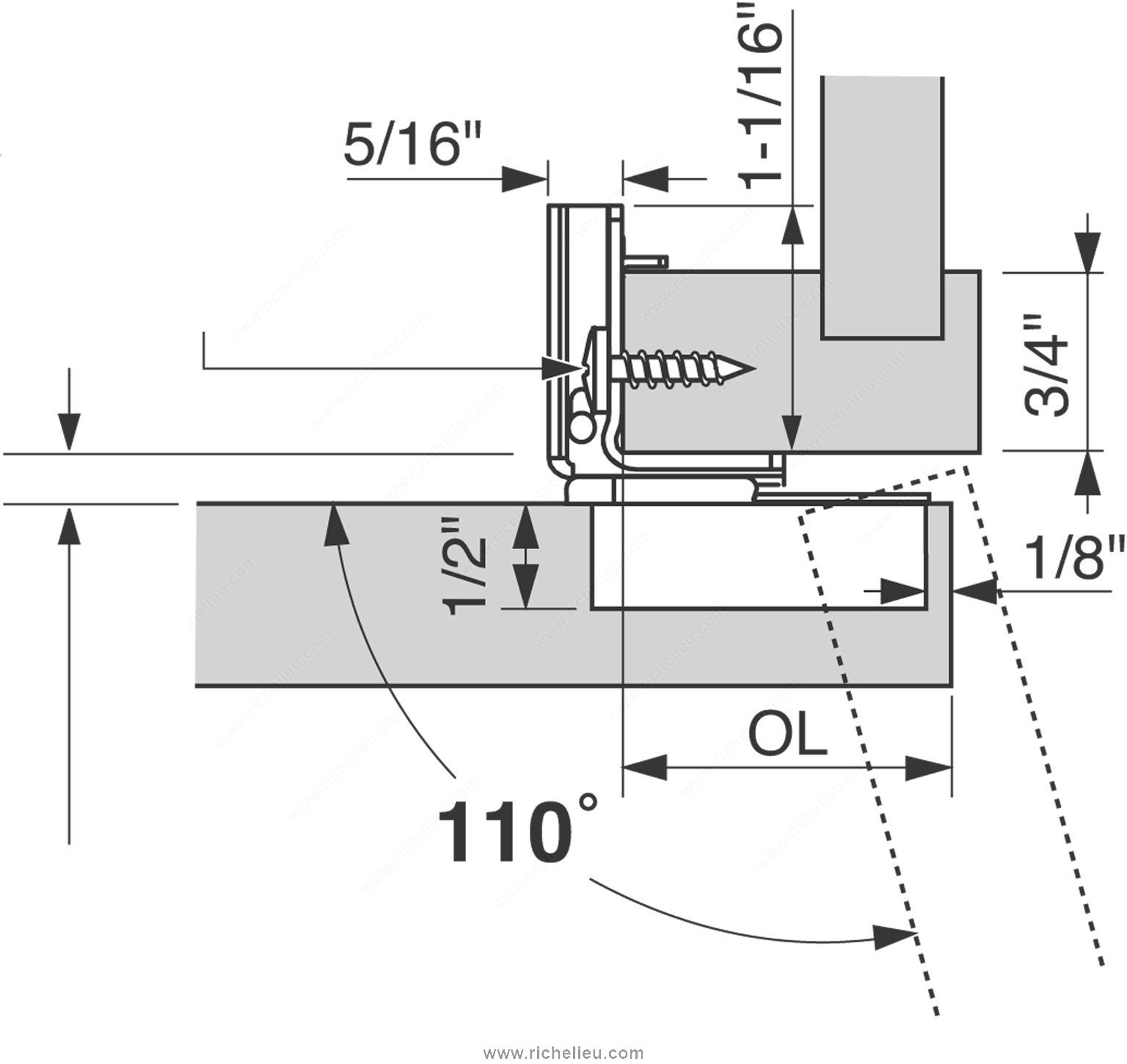
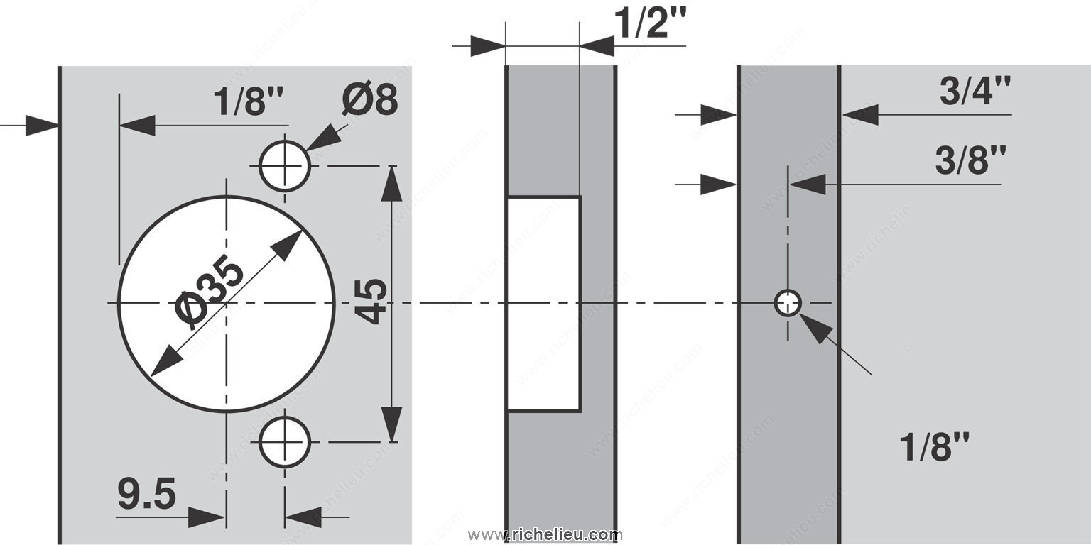
Richelieu 39C35822180 COMPACT 39C Hinge 110 offers a reliable solution for face frame cabinets, combining versatility with ease of use. These concealed hinges are designed for both small and large overlays, making them an excellent choice for various cabinet applications. With adjustable dimensions in side, height, and depth, users can achieve precise alignment and optimal functionality. Constructed from durable steel and finished in sleek nickel, this hinge supports a maximum cabinet and door thickness of 3/4 inch, ensuring compatibility with a wide range of cabinetry. The hinge opening angle of +110° facilitates effortless access, enhancing user experience. Featuring a spring-closing mechanism, the hinge ensures doors close smoothly and securely, providing peace of mind. Installation is simple with a wraparound type mounting and knock-in fixing method, although screws or nails are not included. The required milling depth is 1/2 inch with a milling diameter of 1 3/8 inches, allowing for seamless integration into your cabinetry. Each hinge is sold per unit, making it easy to order the exact quantity needed for your project. Choose the Richelieu COMPACT hinge for an efficient and stylish addition to your cabinetry that meets both practical and aesthetic needs.
COMPACT 39C Hinge 110
Brand: Blum
Cabinet Thickness: Max. 3/4 in*
Cabinet Type: Face Frame
Closing Mechanism: Spring Closing
Door Position: Full Overlay
Door Thickness: Max. 3/4 in
Finish: Nickel
Fixing Type: Knock-In with Insertion Ram Only
Hinge Opening Angle: +110°
Hinge Type: COMPACT
Material: Steel
Mechanism: Spring Closing
Milling Depth: 1/2 in
Milling Diameter: 35 mm
Mounting Type: Wrap-around Mount
Overlay: 1 3/8 in
Packaging format: Per unit
Product #: 39C35822180
Product number: 39C35822180
Required Frame Width: 19 mm
Screw/ Nail: #10 x 3/4" Quadrex Pan Head (Included), #6 x 5/8" Quadrex Flat Head (Included)
Unit 1: case - 300
Use Type: Standard Door