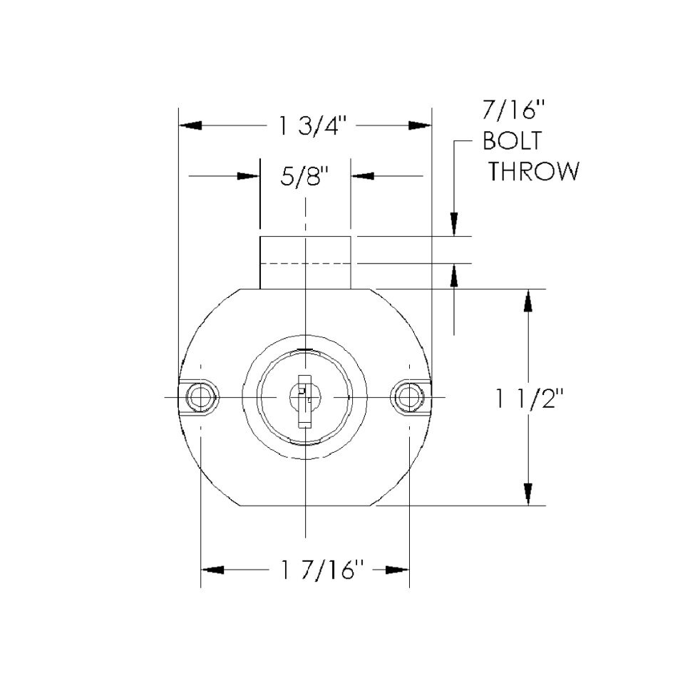
Richelieu WEBSO1250367 Deadbolt Lock 1-3/16" Barrel Length - 975 is a robust security solution specifically designed for drawers and cabinet doors, making it an ideal choice for both residential and commercial applications. This heavy-duty disc-tumbler lock is part of the respected Cascade Series and features a 5-disc tumbler key system that ensures compatibility with CompX / National disc-tumbler locks, such as the C8705, facilitating seamless integration into existing setups. Crafted from durable zinc die cast, the lock is finished in a bright nickel that not only offers aesthetic appeal but also enhances its longevity. With a cam length of 1-3/16 inches, the lock operates vertically, providing reliable security without compromising ease of use. It is designed for standard security needs and is suited for wood and metal furniture materials. The Richelieu WEBSO1250367 is keyed alike with the #C346A key type, ensuring that multiple locks can be accessed with a single key, simplifying your locking system. As a non-key-retaining model, it offers added convenience, making it an excellent choice for everyday use. Elevate the security of your cabinets and drawers with this reliable deadbolt lock that combines functionality with quality craftsmanship.
Deadbolt Lock 1-3/16" Barrel Length - 975
Application: Single Drawer, Cabinet Doors
Brand: Olympus Lock Inc.
Cam Length (from center): 1 3/16 in
Finish: Bright Nickel
Furniture Material: Wood, Metal
Key Retaining: No
Key Type: Keyed Alike #C346A
Material: Zinc Die Cast
Mechanism Type: Disc
Position: Vertical
Product #: 975-14A-C346A
Security Level: Standard
Series: Cascade Series
Types of Locks: Deadbolt Locks
Use: Cabinet Doors, Single Drawer